一、產品[電動三通調節球閥]的詳細資料:
產品型號:ZAJQ型
產品名稱:電動三通調節球閥
產品特點:ZAJQ型智能電動球閥是由DTR系列智能式執行機構和三通球閥組成,是一種旋轉類切斷調節閥門,具有關閉嚴密,結構緊湊,重量輕,維修方便等優點。廣泛用于氣體、液體、蒸汽、油品等腐蝕性介質的管道自動化控制中。
兩閥座密封三通球閥具有結構緊湊、外型美觀、密封性能好。它能實現對管道中介質流向的切換。也能使相互垂直的兩個通道連通或關閉。
四閥座密封三通球閥具有造型美觀、結構緊湊合理,它不僅可實現介質流向的切換,也可使三個通道相互連通,現時也可關閉任一通道,使另外兩個通道連通,靈活控制管路中介質的合流或分流。
二、控制模塊主要技術指標:
控制精度:0.1%~3.1%可調。
接受控制信號:0~10mA.DC、 4~20mA.DC或1~5V.DC
按鍵選擇:1、輸入信號中斷時:“中斷”模態(開、停、關)2、正逆動作選擇3、控制精度選擇。
電動裝置全開、全閉位置自動定位標定,方便準確。
按輸入信號和電動裝置位置進行智能步距調整自動定位,抑制振蕩精度高。
輸出電動裝置位置信號:4~20mA.DC對應電動裝置全閉、全開。
三、閥內組件:
閥芯形式: O型閥芯
流量特性: 快開型
材 料: 1Cr18Ni9Ti 0Cr17Ni12Mo2襯聚四氟乙烯
密封面材料:聚四氟乙烯、PPL、硬密封
四、執行機構:
類型:可選PSQ、3810R、DTR角行程執行機構。防爆型選3810系列。
技術參數和性能:請參閱對應的執行機構和閥門定位器的說明書。

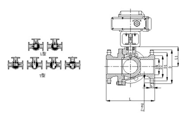
五、ZAJQ型電動三通調節球閥主要外形尺寸:
|
公稱壓力或壓力級
|
公稱通徑
|
尺寸(mm)
|
|||||||
|
mm
|
in
|
L
|
L1
|
D
|
D1
|
D2
|
b
|
z-Φd
|
|
|
PN1.6MPa
|
15
|
|
130
|
65
|
95
|
65
|
45
|
14
|
4-14
|
|
20
|
|
150
|
75
|
105
|
75
|
55/58
|
14/16
|
4-14
|
|
|
25
|
|
160
|
80
|
115
|
85
|
65/68
|
14/16
|
4-14
|
|
|
32
|
|
180
|
90
|
135/140
|
100
|
78
|
16
|
4-18
|
|
|
40
|
|
200
|
100
|
145/150
|
110
|
85/88
|
16
|
4-18
|
|
|
50
|
|
230
|
115
|
160/165
|
125
|
100/102
|
16/18
|
4-18
|
|
|
65
|
|
290
|
145
|
180/185
|
145
|
120/122
|
18
|
4-18
|
|
|
80
|
|
310
|
155
|
195/200
|
160
|
135/138
|
20
|
4-18
|
|
|
100
|
|
350
|
175
|
215/220
|
180
|
155/158
|
20
|
4-18
|
|
|
125
|
|
400
|
200
|
245/250
|
210
|
185/188
|
22
|
4-18
|
|
|
150
|
|
480
|
240
|
280/285
|
240
|
210/212
|
24/22
|
8-23/8-22
|
|
|
PN2.5MPa
|
15
|
|
130
|
65
|
95
|
65
|
45
|
16
|
4-14
|
|
20
|
|
150
|
75
|
105
|
75
|
55/58
|
16
|
4-14
|
|
|
25
|
|
160
|
80
|
115
|
85
|
65/68
|
16
|
4-14
|
|
|
32
|
|
180
|
90
|
135/140
|
100
|
78
|
18
|
4-18
|
|
|
40
|
|
200
|
100
|
145/150
|
110
|
85/88
|
18
|
4-18
|
|
|
50
|
|
230
|
115
|
160/165
|
125
|
100/102
|
20
|
4-18
|
|
|
65
|
|
290
|
145
|
180/185
|
145
|
120/122
|
22
|
8-18
|
|
|
80
|
|
310
|
155
|
195/200
|
160
|
135/138
|
22/24
|
8-18
|
|
|
100
|
|
350
|
175
|
230/235
|
190
|
160/162
|
24
|
8-23/8-22
|
|
|
125
|
|
400
|
200
|
270
|
220
|
188
|
28/26
|
8-25/8-26
|
|
|
150
|
|
480
|
240
|
300
|
250
|
218
|
30/28
|
8-25/8-26
|
|
|
PN4.0MPa
|
15
|
|
130
|
65
|
95
|
65
|
45
|
16
|
4-14
|
|
20
|
|
150
|
75
|
105
|
75
|
55/58
|
16
|
4-14
|
|
|
25
|
|
160
|
80
|
115
|
85
|
65/68
|
16
|
4-14
|
|
|
32
|
|
180
|
90
|
135/140
|
100
|
78
|
18
|
4-18
|
|
|
40
|
|
200
|
100
|
145/150
|
110
|
85/88
|
18
|
4-18
|
|
|
50
|
|
230
|
115
|
160/165
|
125
|
100/102
|
20
|
4-18
|
|
|
65
|
|
290
|
145
|
180/185
|
145
|
120/122
|
22
|
8-18
|
|
|
80
|
|
310
|
155
|
195/200
|
160
|
135/138
|
22
|
8-18
|
|
|
100
|
|
350
|
175
|
230/235
|
190
|
160/162
|
24
|
8-23/8-22
|
|
|
125
|
|
400
|
200
|
270
|
220
|
188
|
28
|
8-25/8-26
|
|
|
150
|
|
480
|
240
|
300
|
250
|
218
|
30
|
8-25/8-26
|
|
|
Class150PN2.0MPa
|
15
|
1/2
|
130
|
65
|
89
|
60.5
|
35
|
-
|
4-15
|
|
20
|
3/4
|
150
|
75
|
98
|
70
|
43
|
-
|
4-15
|
|
|
25
|
1
|
160
|
80
|
108/110
|
79.5
|
51
|
11.5
|
4-15/4-16
|
|
|
32
|
11/4
|
180
|
90
|
117/120
|
89
|
64
|
13.0
|
4-15/4-16
|
|
|
40
|
11/2
|
200
|
100
|
127/130
|
98.5
|
73
|
14.5
|
4-15/4-16
|
|
|
50
|
2
|
230
|
115
|
152/150
|
120.5
|
92
|
16.0
|
4-19/4-20
|
|
|
65
|
21/2
|
290
|
145
|
178/180
|
139.5
|
105
|
17.5
|
4-19/4-20
|
|
|
80
|
3
|
310
|
155
|
190
|
152.5
|
127
|
19.5
|
4-19/4-20
|
|
|
100
|
4
|
350
|
175
|
229/230
|
190.5
|
157
|
24.0
|
8-19/8-20
|
|
|
125
|
5
|
400
|
200
|
254/255
|
216.0
|
186
|
24.0
|
8-22
|
|
|
150
|
6
|
480
|
240
|
279/280
|
241.5
|
216
|
25.5
|
8-22
|
|
|
JIS10K
|
15
|
|
130
|
65
|
95
|
70
|
52
|
12
|
4-15
|
|
20
|
|
150
|
75
|
100
|
75
|
58
|
14
|
4-15
|
|
|
25
|
|
160
|
80
|
125
|
90
|
70
|
14
|
4-19
|
|
|
32
|
|
180
|
90
|
135
|
100
|
80
|
16
|
4-19
|
|
|
40
|
|
200
|
100
|
140
|
105
|
85
|
16
|
4-19
|
|
|
50
|
|
230
|
115
|
155
|
120
|
100
|
16
|
4-19
|
|
|
65
|
|
290
|
145
|
175
|
140
|
120
|
18
|
4-19
|
|
|
80
|
|
310
|
155
|
185
|
150
|
130
|
18
|
8-19
|
|
|
100
|
|
350
|
175
|
210
|
175
|
155
|
18
|
8-19
|
|
|
125
|
|
400
|
200
|
250
|
210
|
185
|
20
|
8-23
|
|
|
150
|
|
480
|
240
|
280
|
240
|
215
|
22
|
8-23
|
|
注:1、表中以分數表示者,分子為JB/T74~90系列2尺寸(等同于原機標JB74~90-59的尺寸),分母為JB/T74~90系列1、GB9112~9131(PN1.6、2.5、4.0Mpa)及HGJ44~76尺寸。 2、表中以分數表示者,分子為ANSI B16.5尺寸,分母為GB9112~9131、SH3406尺寸。
訂貨須知:
一、①ZAJQ型電動三通調節球閥產品名稱與型號②ZAJQ型電動三通調節球閥口, 徑③ZAJQ型電動三通調節球閥是否帶附件以便我們的為您正確選型。
二、若已經由設計單位選定凱斯特公司的ZAJQ型電動三通調節球閥型號,請按ZAJQ型電動三通調節球閥型號直接向我司銷售部訂購。
三、當使用的場合非常重要或環境比較復雜時,請您盡量提供設計圖紙和詳細參數,由我們凱斯特的專家為您審核把關。
感謝您訪問我們的網站www.tecio.com.cn,如有任何疑問.您可以致電給我們凱斯特公司,我們一定會盡心盡力為您提供優質的服務。